
一、WRL間歇式高剪切工作過程步驟
|
* 昊星SS-WRL間歇式高剪切乳化機在高速旋轉的轉子產生的離心力作用下,圖中的物料從工作頭的上 下進料區域同時從軸向吸入工作腔。
|
| 二、WRL系列高剪切分散乳化機工作原理: | |
| 昊星WRL間歇式(立式)高剪切分散乳化機是高效、快速、均勻地將一個相或多個相分布到另一個連續相中,而在通常情況下各個相是互相不溶的。由于轉子高速旋轉所產生的高切線速度和高頻機械效應帶來的強勁動能,從而使不相溶的固相、液相、氣相在相應成熟工藝和適量添加劑的共同作用下,瞬間均勻精細地分散乳化,經過高頻的循環往復,最終得到穩定的高品質產品。 |
|
| 三、WRL高剪切分散乳化機處理工藝 | |
|
混合 糖漿、香波、洗滌液、果汁濃縮液、酸奶、甜點、混合奶制品、油墨、瓷釉。
分散混合 甲基纖維素溶解、膠質體溶解、碳化物溶解、油水乳化,預混合、調味料生產、穩定劑溶解、煙塵、鹽、氧化鋁、農藥。 分散 懸浮液、藥丸包衣、藥物解聚、涂料分散、唇膏、蔬菜濃湯、芥末混合物、催化劑、消光劑、金屬、顏料、改性瀝青、納米材料的制備和解聚。 乳化 藥乳液、藥膏、雪花膏、面膜、面霜、乳化香精、油水乳化、乳化瀝青、樹脂乳化、蠟乳化、水性聚氨脂乳化、農藥。 均質 藥乳液、藥膏、雪花膏、面膜、面霜、組織勻漿、奶制品均質、果汁、打印墨水、果醬。 |
|
四、WRL系列間歇式生產工藝:
WRL系列高剪切分散乳化機工藝示例
五、WRL系列高剪切乳化機性能表:
|
型號
|
功率KW
|
轉速rpm
|
處理量L
|
|
WRL80
|
1.1
|
2800-2900
|
5~40
|
|
WRL90
|
1.5
|
5~50
|
|
|
WRL100
|
2.2
|
50~100
|
|
|
WRL120
|
4
|
100~300
|
|
|
WRL140
|
7.5
|
200~800
|
|
|
WRL160
|
11
|
300~1000
|
|
|
WRL180
|
18.5
|
500~1500
|
|
|
WRL200
|
22
|
1400-1500
|
800~2000
|
|
WRL220
|
30
|
1000~3000
|
|
|
WRL240
|
37
|
1500~5000
|
|
|
WRL270
|
55
|
2000~8000
|
|
|
WRL290
|
75
|
3000~10000
|
六、WRL系列高剪切乳化機結構圖:
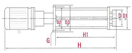
七、WRL系列高剪切乳化機外形尺寸:
|
型號
|
D
|
D1
|
D2
|
D3
|
H
|
H1
|
G
|
|
WRL80
|
105
|
145
|
200
|
205
|
705
|
355
|
8×?16
|
|
WRL90
|
110
|
155
|
210
|
210
|
710
|
360
|
8×?16
|
|
WRL100
|
116
|
160
|
215
|
265
|
1150
|
650
|
8×?16
|
|
WRL120
|
141
|
195
|
255
|
290
|
1300
|
725
|
8×?16
|
|
WRL140
|
156
|
215
|
280
|
330
|
1520
|
850
|
8×?16
|
|
WRL160
|
184
|
235
|
280
|
330
|
1655
|
850
|
8×?20
|
|
WRL180
|
200
|
280
|
360
|
415
|
2070
|
1200
|
8×?20
|
|
WRL200
|
240
|
300
|
360
|
415
|
2130
|
1200
|
8×?20
|
|
WRL220
|
260
|
320
|
400
|
450
|
2525
|
1355
|
8×?20
|
|
WRL240
|
280
|
340
|
400
|
450
|
2585
|
1395
|
8×?20
|
|
WRL270
|
330
|
380
|
500
|
550
|
29955
|
1650
|
8×?20
|
|
WRL290
|
350
|
400
|
500
|
550
|
3050
|
1660
|
8×?20
|